Контактор модульний ETI R 40-40 230V
Виробник: ETI
Тип пристрою: Контактор модульний
Характеристики:
- Вага: 0.373 kg
- Номінальний робочий струм Ie AC-1/AC-7a (A): 40
- Номінальна робоча напруга (V AC): 440V
- Номінальна напруга управління Uc (V AC): 230V
- Тип: AC
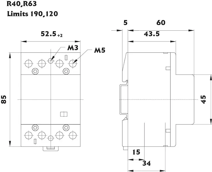
- Типорозмір: 4p, 3-modules
- Номінальна частота (Hz): 50/60
- Кількість нормально розімкнутих (НР) контактів: 4
- Максимальна потужність лампи розжарювання: 6000W
- Максимальна потужність люмінісцентної лампи: 2975VA
- Максимальна потужність люмінісцентної лампи (Duo схема): 5280VA
- Максимальна потужність люмінісцентної лампи (з паралельною компенсацією): 2805VA
- Кількість модулів: 3
- Глибина вбудовування: 60mm
- Можлива додаткова комплектація: Так
- Ступінь захисту IP: IP20
Специфікації
| Виробник | ETI |

