Skip to Content

Трансформатор струму ETI CTR-30 100/5 1,5VA CL.0,5

https://sma.kiev.ua/web/image/product.template/26082/image_1920?unique=b3468cf

Особливості:

  • Категорія: Трансформатор струму
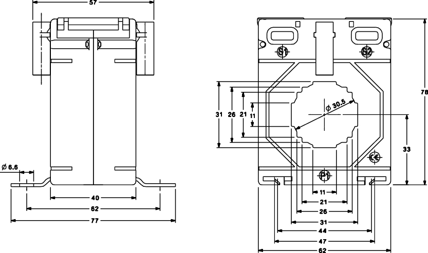
  • Потужність (ВА): 1,5
  • Первинний струм: 100
  • Вторинний струм (А): 5
  • Клас точності: 0,5 
  • Вага продукту: 0.365  kg
  • Модель/Виконання: Трансформатори струму з вікном
  • Діаметр отвору: 30,5mm
  • Приєднання вторинної обмотки: Гвинтове з`єднання

25,80 € 25.8 EUR 25,80 €

Not Available For Sale

  • Виробник

Ця комбінація не існує.

Терміни та умови
30-денна гарантія повернення коштів
Доставка: 2-3 робочих дні

Специфікації

Виробник ETI